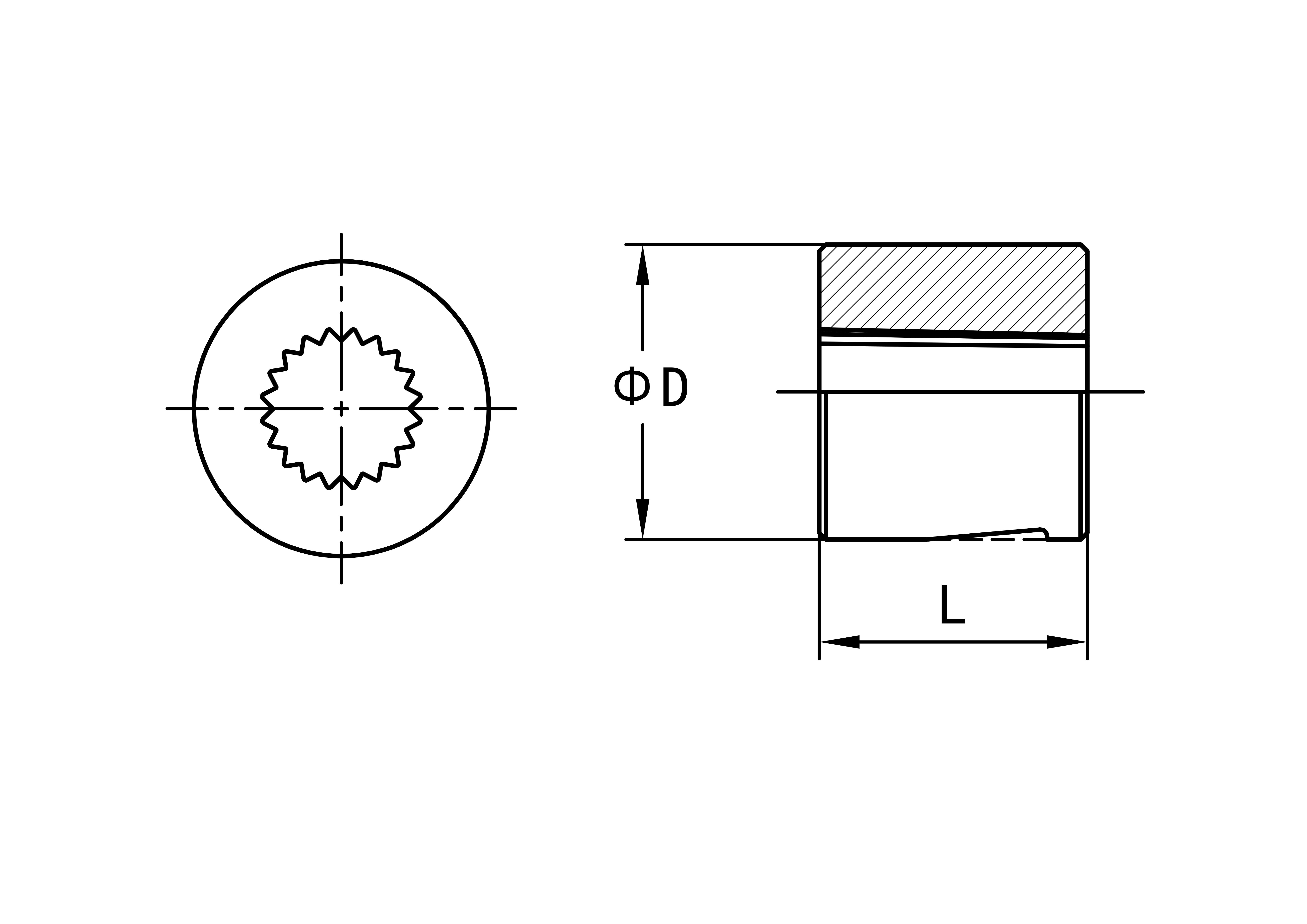
產品尺寸圖
產品數據
型號規格
尺寸
L
D
KC-CT22-***
20
22
KC-CT32-***
32
***代表刀頭的尺寸。




